
Demands to meet regulations are increasing pressure on laboratories, and in order to meet these challenges laboratories must develop and run methods that provide high-quality, consistent results, day in and day out.
The Xevo TQ-GC is a robust Electron Ionization (EI) and Chemical Ionization (CI) Gas Chromatography (GC)-MS/MS platform that allows routine quantification of multiple contaminants in complex matrices. The Xevo TQ-GC consistently surpasses the sensitivity required to meet regulatory limits, thus reducing the need for frequent user intervention and re-optimization. In addition, MassLynx Software security controls user access, giving you more control to assist with laboratory compliance.
Laboratories can also develop methods rapidly using Quanpedia, which allows fast response to changes in legislative demands and for customized methods. All the speed, sensitivity, and reliability you have come to expect from Xevo now with GC-MS/MS.
For routine quantitation of multiple contaminants in an extracted matrix sample.
Waters Xevo TQ-GC Mass Spectrometry System.
Ensuring you achieve reliable and predictable results is at the heart of the design of the Xevo TQ-GC. The system has been rigorously tested to ensure that you spend less time on routine maintenance, and that it can be scheduled to fit around the laboratory workload, maximizing uptime and minimizing disruption.
To ensure you don’t spend your precious time on lengthy instrument setup, Intellistart health check informs you whether the system is ready to run injections and, if not, how the situation can be remedied. Your lab only needs minimal tools for instrument maintenance, and if any maintenance is needed, it is fast and mistake-proof.
Waters Xevo TQ-GC Mass Spectrometry System: Repeatability from replicate (n=200) injection of grape extract containing five pesticides at 0.01 mg/kg.
In a busy analytical lab, time is precious, especially when demands change regularly and the requirement for shorter turnaround times is increasing. With Quanpedia, you can easily deal with a wide variety of sample matrices, target analytes and gas chromatography (GC) conditions. The fully customizable database means that you no longer need to be concerned about having the flexibility to adapt to changes in regulations, as it contains compound classes that are most relevant to regulations, and modifications to existing methods are quick and simple. You can reduce your method development time by including automatic scheduling of multiple reaction monitoring (MRM) transitions that account for any shift in retention times that occur because of column maintenance.
You can also shorten turnaround times by increasing the number of components in a single analytical run, which is enabled by acquisition rates of up to 500 MRM/sec with no significant degradation in performance. This means more MRM transitions can be added to a run while still achieving high quality results.
Waters Xevo TQ-GC Mass Spectrometry System: Generation of GC-MS acquisition and processing methods is performed automatically.
Reduce the risks to method performance and data quality associated with undetected interferences and unexpected compounds when conducting targeted analysis. RADAR improves method development and aids troubleshooting with the ability to detect and confirm analytes not specifically targeted through NIST library confirmation and routinely characterize unexpected contaminants. With this additional information, you can be completely confident in your data and avoid additional confirmatory analyses.
Waters Xevo TQ-GC Mass Spectrometry System: Use of RADAR and NIST library search to identify a co-extracted compound in green tea matrix.
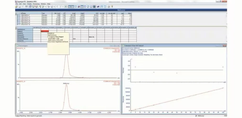
To ensure confidence in results, most analysts would prefer to operate comfortably below regulatory limits. You can achieve this confidence with Xevo TQ-GC, not only through reliable high performance but also as a result of TargetLynx, an Application Manager common across Waters LC and GC platforms. This means it not only gives full analyte quantification, simplified review of results, and customizable reporting, but also provides a common platform between instrument types simplifying data processing and reducing time to results.
With Waters MassLynx Basic Security, you are in control. Ideal for laboratories who need to manage or control access to a GC-MS system. MassLynx Basic Security contains an events audit log for added traceability for audits and accreditation, and the security can also be used with TargetLynx acquisition software.
Waters Xevo TQ-GC Mass Spectrometry System: Comprehensive and streamlined results review with TargetLynx flags any results outside user-defined tolerances.
